网站首页
公司简介
产品中心
应用工程
生产设备
联系我们
English
P
产品介绍
roducts
蝶阀
闸阀
球阀
止回阀
底阀
水利阀门
衬氟阀门
气动阀门
电动阀门
电磁阀
背压阀
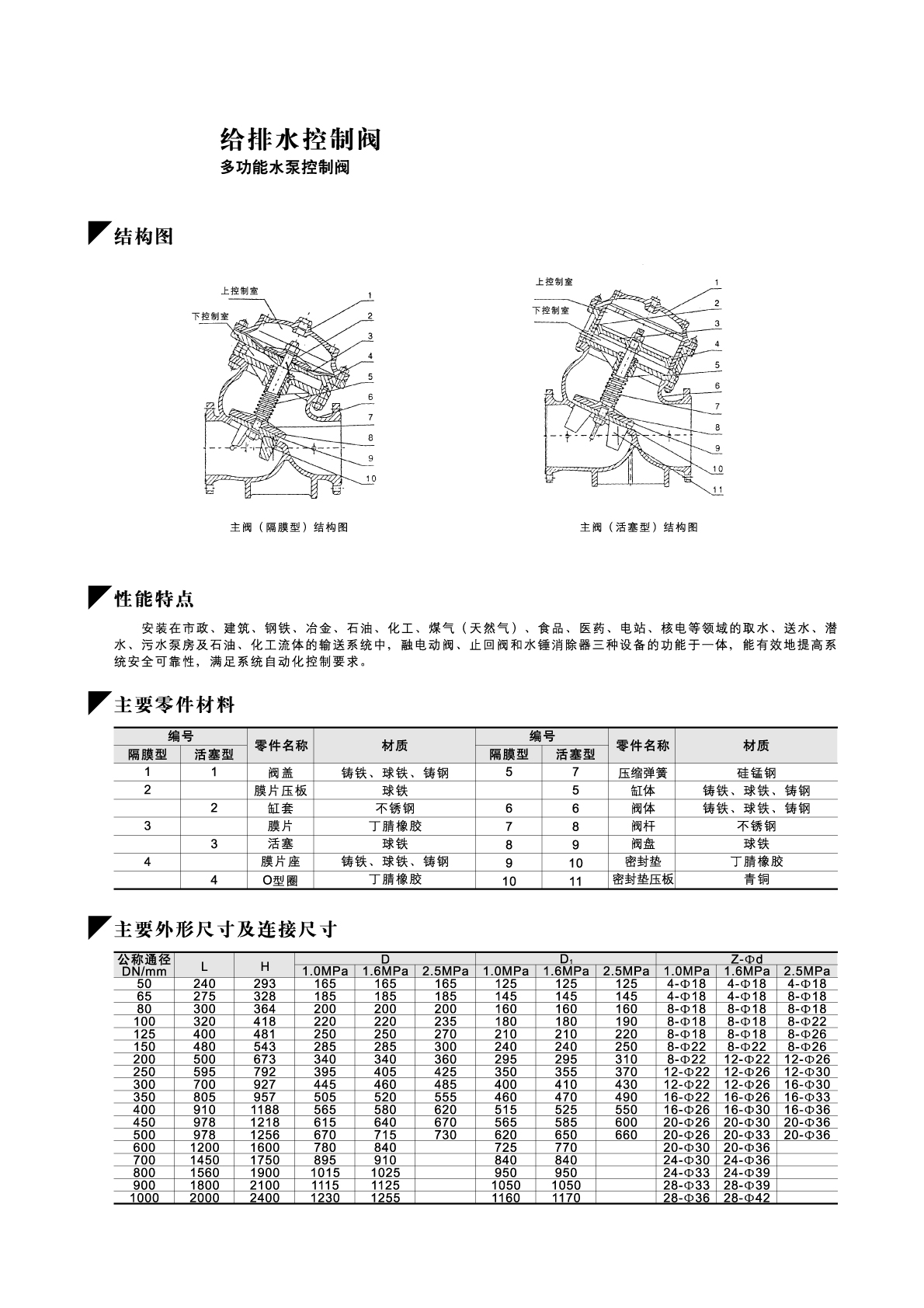
给排水控制阀
隔膜阀
柱塞阀
旋塞阀
疏水阀
减压阀
调节阀
特殊阀门
波纹管密封调节阀调节阀
针型阀/仪表阀
截止阀
焊接管件
卡套接头
螺纹管件
卫生级管件/洁净管件
法兰 弯头
C
联系我们
ontact us
电话:0512-68239773
0512-68239783
邮箱:sales@vericovalve.com
地址:苏州市高新区湘江路1433号
产品展示
您当前的位置:
首页
>产品展示
多功能水泵控制阀
>>点此返回
网站首页
|
关于我们
|
产品展示
|
应用工程
|
生产设备
|
联系我们
版权所有:苏州维锐科阀门有限公司
后台管理
苏ICP备17007369号-1